1、精度高,輸入線電阻高,穩(wěn)定性好。
2、體積小,安裝方便。
3、傳輸距離長,抗干擾能力強。
4、結構設計合理,使用壽命長。
5、密封性好。

測量范圍
雨、雪有無查詢
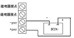
供電方式
DC 12~24V
輸出形式
開關量(一組常開/一組常閉)
負載能力(觸電容量)
1A / 24VDC
工作環(huán)境
溫度-40℃~50℃ 濕度≤100%RH
外殼防護等級
IP65
線纜等級
額定電壓:300V;溫度等級:80℃
本產品可廣泛用于氣象、海洋、環(huán)境、機場、港口、實驗室、工農業(yè)及交通等領域的雨雪有無定性測量。
LC-YX1型雨雪感知傳感器采用表面柵形電極感應外界雨雪情況,內部采用進口智能微處理器,反應靈敏、測量精度高。內置自動加熱裝置可排除雨雪附著的干擾,保障系統(tǒng)的正常運行。輸出為一組常開、一組常閉開關信號,方便安裝使用。
安裝方法:
安裝時,應保持傳感器感應面與水平面成15度夾角,以防雨、雪的堆積對傳感器測量造成影響。

五、注意事項:
1、請檢查包裝是否完好,并核對產品型號是否與選型一致;
2、切勿帶電接線,接線完畢檢查無誤后方可通電;
3、使用時不要隨意改動產品出廠時已焊接好的元器件或導線;
4、傳感器屬于精密器件,用戶在使用時請不要自行拆卸以免損壞產品;
5、請保存好檢定證書和合格證,維修時隨同產品一同返回。


